📩 Unlock the secrets of your 1986 Chevy Truck Wiring Diagram Model C with our comprehensive guide. Navigate through intricate electrical schematics effortlessly.

Wiring diagrams and schematics serve as indispensable tools in understanding the intricacies of electrical systems within vehicles. In the context of automotive engineering, the 1986 Chevy Truck Wiring Diagram Model C holds particular significance, offering a comprehensive blueprint of the electrical architecture within this iconic vehicle.

Understanding Wiring Diagrams

Understanding Wiring Diagrams

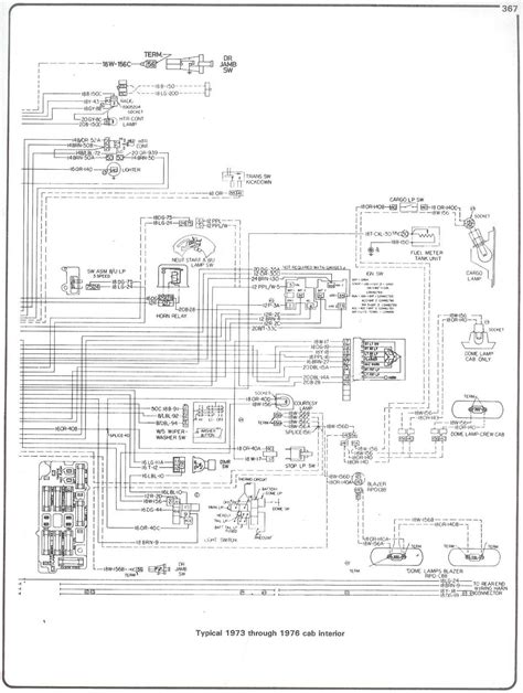
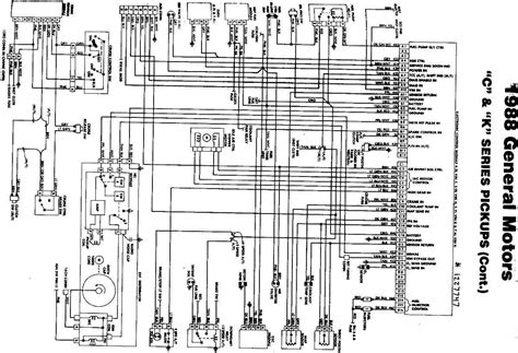
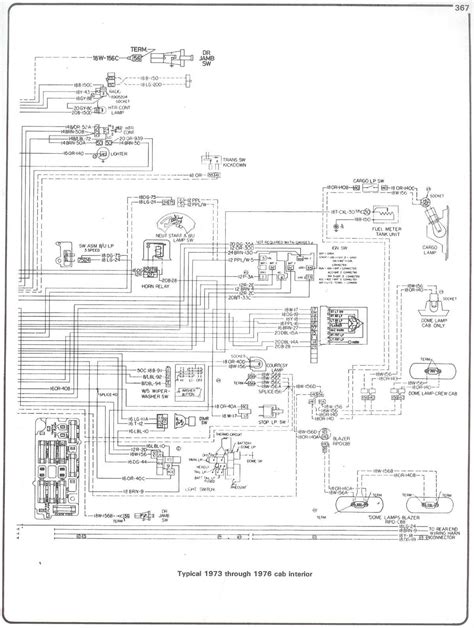
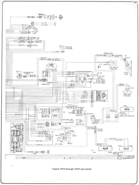
Wiring diagrams represent a visual depiction of the electrical circuits within a vehicle. Each wire, connector, and component is meticulously illustrated, providing technicians and enthusiasts with a roadmap for troubleshooting and repair. In the case of the 1986 Chevy Truck Wiring Diagram Model C, understanding the conventions and symbols used in wiring diagrams is crucial for deciphering the electrical layout of the vehicle.

Deciphering Symbols

Deciphering Symbols

Wiring diagrams utilize a standardized set of symbols to represent various electrical components and connections. From resistors and switches to relays and fuses, each symbol carries specific meaning, facilitating clear communication of circuit configurations. Familiarizing oneself with these symbols is essential for accurate interpretation of the 1986 Chevy Truck Wiring Diagram Model C.

Tracing Circuits

Tracing Circuits

Tracing circuits within a wiring diagram involves following the path of electrical current flow from its source to its destination. By systematically analyzing each circuit, technicians can identify potential points of failure and diagnose electrical issues effectively. The 1986 Chevy Truck Wiring Diagram Model C serves as a guide for tracing circuits and understanding the interconnections between various components.

Identifying Components

Identifying Components

Each component depicted in the wiring diagram plays a vital role in the overall functionality of the vehicle's electrical system. From ignition modules to sensors and actuators, identifying these components within the 1986 Chevy Truck Wiring Diagram Model C is essential for diagnosing and repairing electrical faults.

Diagnostic Applications

Diagnostic Applications

Wiring diagrams are indispensable tools for diagnosing electrical issues within vehicles. By comparing observed symptoms with the schematic representation provided by the 1986 Chevy Truck Wiring Diagram Model C, technicians can pinpoint the root cause of malfunctions and implement targeted solutions.

Ensuring Safety

Ensuring Safety

Proper understanding and utilization of wiring diagrams contribute to the safety of both technicians and vehicle occupants. By adhering to established electrical protocols and safety guidelines outlined in the 1986 Chevy Truck Wiring Diagram Model C, risks associated with electrical work can be mitigated.

Enhancing Efficiency

Enhancing Efficiency

Efficient utilization of wiring diagrams streamlines diagnostic and repair processes, minimizing downtime and optimizing workflow. With the 1986 Chevy Truck Wiring Diagram Model C as a reference, technicians can expedite troubleshooting procedures and ensure prompt resolution of electrical issues.

Applying Technical Knowledge

Applying Technical Knowledge

Proficiency in interpreting wiring diagrams is a testament to a technician's expertise in automotive electrical systems. By applying technical knowledge gleaned from studying the 1986 Chevy Truck Wiring Diagram Model C, professionals can navigate complex electrical challenges with confidence and precision.

In the intricate network of automotive systems, the 1986 Chevy Truck Wiring Diagram Model C stands as a pivotal document, elucidating the electrical blueprint of a quintessential American vehicle. This article delves into the realm of wiring diagrams and schematics, unraveling the complexities of electrical circuits within the context of this iconic Chevrolet model. With meticulous attention to detail, the wiring diagram serves as a roadmap, guiding technicians and enthusiasts through the labyrinth of wires, connectors, and components that define the vehicle's electrical architecture. Through comprehensive analysis and elucidation, this discourse navigates the intricacies of 1986 Chevy Truck Wiring Diagram Model C, shedding light on its significance in understanding and troubleshooting the electrical systems of this enduring automotive classic.

Unlock the secrets of your 1986 Chevy Truck Wiring Diagram Model C with our comprehensive guide. Navigate through intricate electrical schematics effortlessly.

As you conclude your exploration of the 1986 Chevy Truck Wiring Diagram Model C, we hope you've gained valuable insights into the intricate world of automotive electrical systems. Armed with a comprehensive understanding of wiring diagrams and schematics, you're better equipped to tackle electrical challenges with confidence and precision.

Whether you're a seasoned technician or an avid enthusiast, the 1986 Chevy Truck Wiring Diagram Model C serves as an indispensable resource for deciphering the electrical blueprint of this iconic vehicle. By leveraging the knowledge gained from studying wiring diagrams, you can navigate complex circuits, trace electrical faults, and ensure the optimal performance of your 1986 Chevy Truck. Remember, mastery of wiring diagrams is not merely a skill—it's a gateway to unlocking the full potential of your vehicle's electrical system.

Conclusion:

Chevy Truck, Wiring Diagram, Model C, Electrical Schematics, Automotive Engineering, Circuit Configurations, Diagnostic Applications

Keyword:1986 Chevy Truck Wiring Diagram Model C

Related Keywords:#EANF#


0 komentar