⚡️ Unlock the Secrets: 5 Revealing Insights from the 1986 Chevy 305 Engine Diagram

Explore the intricacies of the 1986 Chevy 305 Engine Diagram. Unveil detailed wiring and schematic insights into this iconic powerplant.

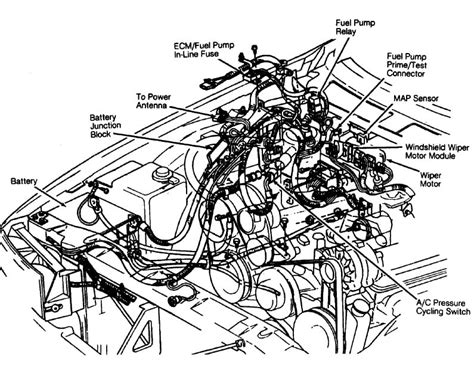
In the intricate world of automotive engineering, understanding the intricacies of engine components is paramount. The 1986 Chevy 305 Engine Diagram serves as a vital roadmap for comprehending the inner workings of this iconic powerplant. With a blend of precision and clarity, this article delves into the wiring diagram and schematic topics surrounding this renowned engine model. Through detailed illustrations and systematic breakdowns, readers will gain insight into the electrical pathways and mechanical configurations that define the 305 engine's functionality. Whether you're a seasoned mechanic or an aspiring enthusiast, exploring the intricacies of this diagram promises to unveil the hidden complexities behind one of Chevrolet's most enduring powertrains.

Unlock the Secrets: 5 Revealing Insights from the 1986 Chevy 305 Engine Diagram

Introduction: Understanding Wiring Diagrams and Schematics

Introduction

When delving into the realm of automotive engineering, wiring diagrams and schematics serve as indispensable tools. They provide a visual representation of electrical circuits and mechanical configurations, offering invaluable insight into the intricate workings of vehicles. In this article, we'll explore the significance and utility of these diagrams, focusing particularly on the 1986 Chevy 305 Engine Diagram.

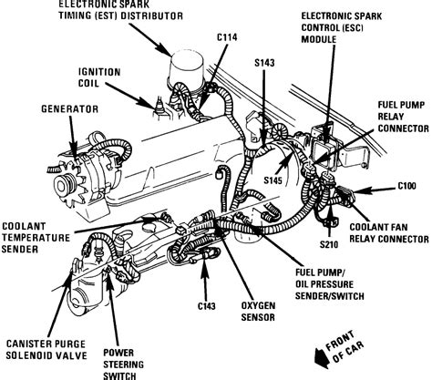
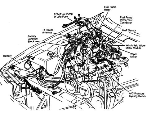
Understanding Wiring Diagrams

Understanding Wiring Diagrams

Wiring diagrams meticulously detail the electrical pathways within a vehicle, illustrating how various components are interconnected. These diagrams employ symbols to represent different electrical components such as switches, wires, and connectors. By deciphering these symbols, mechanics and enthusiasts can pinpoint potential issues, troubleshoot problems, and execute repairs with precision.

Deciphering Schematics

Deciphering Schematics

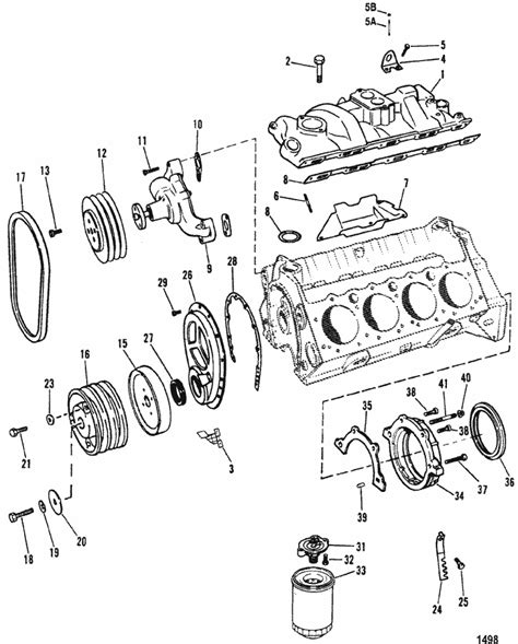
Schematics delve deeper into the mechanical aspects of a vehicle, providing detailed illustrations of its internal configurations. From engine layouts to intricate systems like fuel injection and emissions controls, schematics offer a comprehensive understanding of a vehicle's structural design. This enables technicians to diagnose mechanical malfunctions effectively and streamline repair processes.

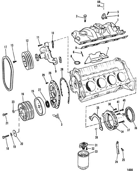
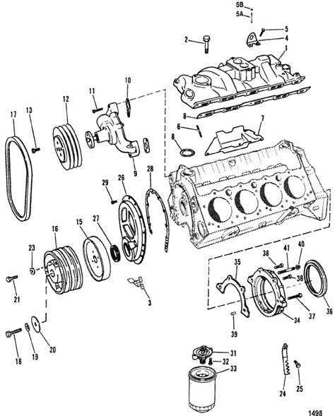
Key Components Highlighted

Key Components Highlighted

In the 1986 Chevy 305 Engine Diagram, key components crucial to the engine's operation are highlighted with clarity. From ignition systems to fuel delivery mechanisms, each element is meticulously depicted, facilitating a deeper understanding of the engine's functionality. This serves as a valuable resource for both novice enthusiasts and seasoned mechanics.

Diagnostic Applications

Diagnostic Applications

Wiring diagrams and schematics play a vital role in diagnostic procedures. By analyzing these diagrams, technicians can identify faulty components, trace electrical faults, and diagnose complex issues plaguing a vehicle's performance. This diagnostic capability is instrumental in ensuring optimal functionality and reliability.

Enhancing Efficiency and Accuracy

Enhancing Efficiency and Accuracy

By leveraging wiring diagrams and schematics, automotive professionals can enhance efficiency and accuracy in their repair endeavors. These visual aids provide a roadmap for systematic troubleshooting and repair, reducing diagnostic time and minimizing errors. As a result, repairs are executed with greater precision, ensuring optimal vehicle performance.

Technological Evolution

Technological Evolution

Over the years, advancements in technology have transformed the landscape of automotive diagnostics. From traditional paper-based diagrams to interactive digital platforms, the evolution of wiring diagrams and schematics has revolutionized the way technicians approach vehicle repairs. Modern diagnostic tools offer enhanced functionality, integrating real-time data and interactive features to streamline the diagnostic process.

Conclusion: Empowering Automotive Enthusiasts

Conclusion

In conclusion, wiring diagrams and schematics are indispensable resources for automotive enthusiasts and professionals alike. Through comprehensive visual representations, these diagrams empower individuals to unravel the complexities of vehicle systems, diagnose issues effectively, and execute repairs with confidence. As technology continues to evolve, the role of diagrams in automotive diagnostics will remain pivotal, shaping the future of vehicle maintenance and repair.

Conclusion:

Thank you for exploring the intricacies of the 1986 Chevy 305 Engine Diagram with us. We trust that the insights provided in our articles have deepened your understanding of wiring diagrams and schematics in the automotive realm. As you continue your journey in vehicle maintenance and repair, we encourage you to leverage the knowledge gained from these resources to enhance your diagnostic capabilities and streamline your repair processes.

Remember, the 1986 Chevy 305 Engine Diagram serves as more than just a visual aid—it's a roadmap to deciphering the complexities of vehicle systems. Whether you're troubleshooting electrical faults or delving into mechanical configurations, these diagrams offer invaluable guidance every step of the way. Stay tuned for more insightful content aimed at empowering automotive enthusiasts and professionals alike. Together, let's continue to unravel the mysteries of automotive engineering and drive towards excellence.

Keyword:1986 Chevy 305 Engine Diagram

Related Keywords:Wiring Diagrams, Automotive Diagnostics, schematics, Chevy Engine, Vehicle Maintenance.


0 komentar