👍 Unlocking Power: 1986 TRX 250 Wiring Diagram Demystified

Discover the intricacies of the 1986 TRX 250 Wiring Diagram, unraveling the electrical blueprint of this iconic ATV. Explore circuitry and schematic topics for comprehensive insights.

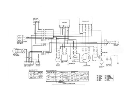
In the intricate network of electrical systems, the 1986 Trx 250 Wiring Diagram serves as a guiding map, unraveling the complexities of connections within the Honda TRX 250. This article delves into the meticulous details of wiring diagrams and schematic topics, shedding light on the fundamental principles governing the electrical layout of this iconic ATV. Exploring the 1986 Trx 250 Wiring Diagram offers a comprehensive understanding of the circuitry, enabling enthusiasts and technicians alike to navigate through the intricacies of electrical components with precision. Transitioning from wire to wire, each diagram elucidates the pathways of power distribution, igniting a sense of curiosity and appreciation for the meticulous engineering behind every electrical function.

Unlocking Power: 1986 TRX 250 Wiring Diagram Demystified

Wiring diagrams and schematic topics are essential for understanding the electrical systems of various vehicles and machinery. In this article, we'll explore the 1986 TRX 250 Wiring Diagram in detail, providing insights into its components and functionalities.

Understanding Wiring Diagrams

Understanding Wiring Diagrams

Wiring diagrams are visual representations of electrical circuits, showcasing how components are connected and the flow of electricity within a system. They use symbols to depict wires, switches, relays, and other electrical devices, making it easier to comprehend complex configurations.

The Importance of Schematics

The Importance of Schematics

Schematics provide detailed illustrations of electrical circuits, offering a deeper understanding of how each component interacts within the system. They help technicians troubleshoot issues, identify faulty parts, and ensure proper maintenance and repairs.

Analyzing the TRX 250 Wiring Diagram

Analyzing the TRX 250 Wiring Diagram

Let's dive into the 1986 TRX 250 Wiring Diagram specifically. This diagram outlines the electrical connections of the Honda TRX 250, showcasing the layout of wires, switches, and other components.

Identifying Components

Identifying Components

One of the primary purposes of a wiring diagram is to identify components. By referring to the diagram, technicians can locate specific parts within the electrical system and understand their functions.

Tracing Electrical Pathways

Tracing Electrical Pathways

Tracing electrical pathways is crucial for diagnosing issues and ensuring proper connections. The wiring diagram provides a roadmap, guiding technicians through the intricate network of wires and circuits.

Troubleshooting with the Diagram

Troubleshooting with the Diagram

When encountering electrical problems, the wiring diagram serves as a valuable tool for troubleshooting. By following the circuitry outlined in the diagram, technicians can pinpoint issues and implement effective solutions.

Ensuring Safety and Efficiency

Ensuring Safety and Efficiency

Adhering to the wiring diagram not only ensures safety but also enhances the efficiency of electrical systems. Proper wiring reduces the risk of short circuits, electrical fires, and other hazards.

Conclusion

Conclusion

In conclusion, wiring diagrams and schematics are indispensable tools for understanding and maintaining electrical systems. By delving into the 1986 TRX 250 Wiring Diagram, we gain valuable insights into the electrical workings of this iconic ATV.

Conclusion:

As we conclude our exploration of the 1986 TRX 250 Wiring Diagram, we hope you've gained valuable insights into the intricate world of electrical systems. Understanding wiring diagrams and schematic topics is essential for maintaining and troubleshooting vehicles like the Honda TRX 250. By delving into the wiring diagram, you've uncovered the electrical pathways and components that power this iconic ATV, empowering you to navigate its electrical system with confidence.

Whether you're a seasoned technician or an enthusiast eager to learn more, the knowledge gained from dissecting the 1986 TRX 250 Wiring Diagram is invaluable. As you continue your journey in the realm of electrical engineering, remember the importance of adhering to safety protocols and following proper wiring practices. Stay tuned for more insightful articles on wiring diagrams and schematic topics, as we strive to equip you with the knowledge and skills needed to master the complexities of electrical systems.

Keyword:1986 Trx 250 Wiring Diagram

Related Keywords:Troubleshooting, Wiring Diagrams, Electrical Systems, Honda ATV, schematic topics, 1986 TRX


0 komentar