💎 Unlock Power: 5 Essential 1992 Firebird Wiring Diagrams

Discover the essential 1992 Firebird wiring diagrams providing detailed schematics for troubleshooting and modifying electrical systems.

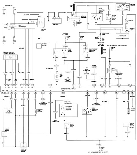
1992 Firebird Wiring Diagram – a vital resource for enthusiasts and mechanics alike, serving as a roadmap to unravel the intricate electrical systems of the iconic Firebird. Delving into the intricacies of wiring diagrams and schematics, this article aims to shed light on the comprehensive guidance they provide for understanding and troubleshooting electrical circuits in the 1992 Firebird model. As the cornerstone of automotive electrical diagnostics, these diagrams unlock the mysteries behind the connections that power the vehicle's various components, offering a structured visual representation that facilitates efficient repairs and modifications. Whether deciphering a malfunctioning lighting circuit or customizing aftermarket installations, 1992 Firebird Wiring Diagrams stand as indispensable tools for navigating the electrical intricacies of this beloved classic.

Unlock Power: 5 Essential 1992 Firebird Wiring Diagrams

Wiring diagrams and schematics serve as indispensable tools in understanding the complex electrical systems of vehicles, offering detailed insights into the connections and circuits that power various components. In this article, we delve into the specifics of 1992 Firebird Wiring Diagrams, exploring their significance and utility in automotive diagnostics and repair.

Overview of 1992 Firebird Wiring Diagram

Overview of Wiring Diagrams

Wiring diagrams provide a comprehensive visual representation of the electrical layout of a vehicle, illustrating the connections between different components such as lights, sensors, and ignition systems. For the 1992 Firebird, these diagrams offer a detailed map of the wiring harness, aiding in diagnosing and addressing electrical issues efficiently.

Understanding Schematic Diagrams for 1992 Firebird

Understanding Schematic Diagrams

Schematic diagrams offer a more abstract representation of electrical circuits, focusing on the relationships between components rather than their physical locations. By deciphering these diagrams, technicians can gain insights into the flow of electricity within the vehicle, facilitating accurate diagnosis and repair of faults.

Troubleshooting 1992 Firebird Wiring Issues

Troubleshooting Wiring Issues

When faced with electrical problems in a 1992 Firebird, referring to wiring diagrams becomes essential for identifying and resolving issues. Whether it's a malfunctioning light, a faulty sensor, or a short circuit, these diagrams provide a roadmap for isolating the problem and implementing effective solutions.

Modifying Electrical Systems in 1992 Firebird

Modifying Electrical Systems

Enthusiasts and mechanics often turn to wiring diagrams when customizing or upgrading the electrical systems of their vehicles. Whether installing aftermarket components, adding accessories, or enhancing performance, these diagrams offer invaluable guidance for safely integrating new elements into the existing wiring harness.

Ensuring Safety in Electrical Repairs for 1992 Firebird

Ensuring Safety in Electrical Repairs

Working with automotive electrical systems requires careful attention to safety protocols to prevent accidents or damage to the vehicle. Prioritizing proper grounding, using insulated tools, and following manufacturer specifications are crucial steps in conducting repairs or modifications based on wiring diagrams.

Consulting Professional Resources for 1992 Firebird Wiring Diagram

Consulting Professional Resources

For complex electrical issues or intricate modifications, seeking guidance from professional mechanics or automotive electricians can provide valuable insights and expertise. Professionals have the experience and knowledge to interpret wiring diagrams accurately and execute repairs or upgrades effectively.

Conclusion on 1992 Firebird Wiring Diagram

Conclusion

In conclusion, 1992 Firebird Wiring Diagrams serve as indispensable tools for understanding, diagnosing, and modifying the electrical systems of this iconic vehicle. Whether troubleshooting issues or embarking on customization projects, these diagrams provide the clarity and guidance needed to navigate the complexities of automotive wiring with confidence and precision.

Conclusion:

Thank you for exploring the intricacies of 1992 Firebird Wiring Diagrams with us. As you've seen, these diagrams are invaluable resources for enthusiasts and mechanics alike, offering detailed insights into the electrical systems of this iconic vehicle. Whether you're troubleshooting issues, modifying components, or seeking to understand the intricate wiring layout, 1992 Firebird Wiring Diagrams provide the clarity and guidance needed to navigate these tasks effectively.

We hope that the information provided in our articles has been enlightening and helpful in your endeavors with the 1992 Firebird. Remember, proper understanding and utilization of 1992 Firebird Wiring Diagrams can significantly enhance your ability to diagnose and address electrical issues, ensuring the continued performance and reliability of your vehicle. Stay tuned for more insightful content, and feel free to reach out with any questions or feedback you may have. Happy exploring!

Keyword:1992 Firebird Wiring Diagram

Related Keywords:Troubleshooting, Electrical Systems, Modifications, Diagrams, Firebird Wiring


0 komentar