✅ Unlock Vehicle Potential: 1991 Nissan Pickup Wiring Diagram Demystified

Discover the intricacies of your 1991 Nissan Pickup's electrical system with our comprehensive wiring diagram. Navigate circuits and components effortlessly.

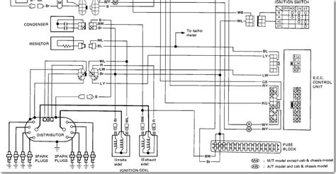
In the realm of automotive engineering, the 1991 Nissan Pickup Wiring Diagram serves as a fundamental blueprint, meticulously detailing the intricate network of electrical connections within the vehicle. This indispensable document provides a comprehensive overview of the electrical system, offering crucial insights into the configuration of wires, circuits, and components. As the cornerstone of automotive electrical engineering, these diagrams elucidate the complex interplay of voltage, current, and resistance, forming the backbone of vehicle functionality. By meticulously delineating the pathways of power distribution and signal transmission, these diagrams not only facilitate diagnostic procedures but also serve as indispensable aids in repair and modification endeavors. Within the domain of automotive maintenance and repair, the 1991 Nissan Pickup Wiring Diagram represents an invaluable resource, enabling technicians to navigate the labyrinth of electrical intricacies with precision and efficacy.

Unlock Vehicle Potential: 1991 Nissan Pickup Wiring Diagram Demystified

The Importance of Wiring Diagrams

The Importance of Wiring Diagrams

Wiring diagrams are indispensable tools in the automotive industry, offering a visual representation of the electrical system within vehicles. They provide critical insights into the complex network of wires, connectors, and components.

Understanding Schematic Diagrams

Understanding Schematic Diagrams

Schematic diagrams depict the logical arrangement of electrical components and their interconnections using standardized symbols. This aids in comprehension and troubleshooting.

Deciphering Electrical Symbols

Deciphering Electrical Symbols

Each electrical symbol in a diagram represents a specific component or function. Understanding these symbols is crucial for interpreting wiring diagrams accurately.

Identifying Circuits and Connections

Identifying Circuits and Connections

Wiring diagrams delineate the pathways of circuits and connections throughout the vehicle, enabling technicians to locate and troubleshoot electrical issues efficiently.

Diagnostic Assistance

Diagnostic Assistance

When electrical problems arise, wiring diagrams serve as invaluable diagnostic aids, guiding technicians in pinpointing faults and devising appropriate solutions.

Facilitating Repairs and Modifications

Facilitating Repairs and Modifications

By providing a clear overview of the electrical system, wiring diagrams facilitate repair and modification tasks, ensuring accuracy and safety in the process.

Enhancing Vehicle Performance

Enhancing Vehicle Performance

A thorough understanding of the wiring diagram empowers enthusiasts and professionals alike to optimize vehicle performance through strategic modifications and upgrades.

Continual Learning and Adaptation

Continual Learning and Adaptation

In the ever-evolving automotive landscape, staying abreast of wiring diagram developments fosters a culture of continual learning and adaptation, ensuring proficiency in diagnostic and repair endeavors.

Conclusion:

Thank you for exploring our in-depth analysis of the 1991 Nissan Pickup Wiring Diagram. We trust that the detailed breakdown of the vehicle's electrical schematics has provided you with valuable insights into its intricate system. As you delve into the wiring diagram, we encourage you to approach it with meticulous attention to detail, recognizing its significance in understanding the functionality of your vehicle's electrical components. Whether you are a seasoned automotive technician or a DIY enthusiast, we hope that our comprehensive coverage has empowered you to navigate the complexities of your 1991 Nissan Pickup's wiring system with confidence and precision.As you continue your journey in exploring automotive wiring diagrams, we invite you to delve deeper into our archives, where you'll find a wealth of resources covering various makes and models, offering further insights into the intricacies of vehicle electrical systems. Whether you're troubleshooting an electrical issue or embarking on a customization project, our commitment to delivering informative and insightful content remains unwavering. Stay tuned for more articles aimed at empowering you with the knowledge and understanding necessary to conquer any wiring challenge that comes your way. Thank you for being a part of our community, and we look forward to assisting you further in your automotive endeavors.

Keyword:1991 Nissan Pickup Wiring Diagram

Related Keywords:Wiring Diagram, Electrical System, Automotive Engineering, Nissan Pickup, Vehicle functionality


0 komentar