👍 1986 BMW 635csi Fuse Diagram: Master Your Electrical System

Discover the comprehensive 1986 BMW 635csi Fuse Diagram, unraveling the complexities of automotive wiring. Navigate fuse locations and wire color codes effortlessly.

Are you ready to dive into the intricate world of automotive electrical systems? Behold, the 1986 BMW 635csi Fuse Diagram, a roadmap to understanding the inner workings of your vintage Beemer's electrical circuitry. In this enlightening discourse, we embark on a journey through the labyrinth of wires and fuses, unraveling the mysteries of automotive electronics.Delve into the depths of this wiring diagram as we dissect each component, deciphering its role in powering your beloved BMW. From fuse locations to wire color codes, every detail is meticulously laid out for your comprehension. Join us as we navigate through this schematic, shedding light on the complexities of automotive wiring with clarity and precision.

1986 BMW 635csi Fuse Diagram: Master Your Electrical System

Introduction 1986 Bmw 635csi Fuse Diagram

Introduction

Welcome to a comprehensive exploration of the 1986 BMW 635csi Fuse Diagram. In this guide, we delve into the intricacies of wiring diagrams and schematic topics related to this iconic vehicle. Whether you're a seasoned enthusiast or a novice, this article aims to provide you with valuable insights into understanding and navigating automotive electrical systems.

Understanding Wiring Diagrams 1986 Bmw 635csi Fuse Diagram

Understanding Wiring Diagrams

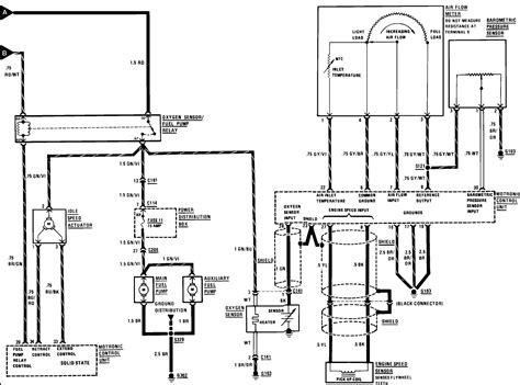
Wiring diagrams serve as blueprints for the electrical systems of vehicles, offering a visual representation of how components are connected and powered. In the context of the 1986 BMW 635csi Fuse Diagram, these diagrams illustrate the layout of wires, connectors, and fuses within the vehicle.

Navigating Fuse Locations 1986 Bmw 635csi Fuse Diagram

Navigating Fuse Locations

Fuses play a crucial role in protecting electrical circuits from damage caused by overloads or short circuits. Within the 1986 BMW 635csi Fuse Diagram, understanding the locations of fuses is essential for troubleshooting electrical issues and ensuring the proper functioning of various vehicle systems.

Deciphering Wire Color Codes 1986 Bmw 635csi Fuse Diagram

Deciphering Wire Color Codes

Wire color codes provide vital information about the purpose and function of each wire within a vehicle's electrical system. By referencing the 1986 BMW 635csi Fuse Diagram, enthusiasts can decode these color codes to identify specific wires and troubleshoot electrical issues effectively.

Analyzing Schematic Diagrams 1986 Bmw 635csi Fuse Diagram

Analyzing Schematic Diagrams

Schematic diagrams offer a more abstract representation of electrical circuits, highlighting the relationships between components without depicting their physical layout. Within the context of the 1986 BMW 635csi Fuse Diagram, analyzing schematic diagrams provides valuable insights into the interactions between various electrical components.

Troubleshooting Electrical Issues 1986 Bmw 635csi Fuse Diagram

Troubleshooting Electrical Issues

Electrical issues can arise in any vehicle, requiring systematic troubleshooting to identify and resolve underlying problems. By referencing the 1986 BMW 635csi Fuse Diagram, enthusiasts can follow a structured approach to diagnose and address electrical issues effectively.

Maintaining Electrical Systems 1986 Bmw 635csi Fuse Diagram

Maintaining Electrical Systems

Proper maintenance of electrical systems is essential for ensuring the longevity and reliability of a vehicle. With the 1986 BMW 635csi Fuse Diagram as a guide, enthusiasts can implement routine maintenance procedures to prevent electrical failures and optimize the performance of their vehicle.

Conclusion 1986 Bmw 635csi Fuse Diagram

Conclusion

In conclusion, the 1986 BMW 635csi Fuse Diagram serves as an invaluable resource for enthusiasts and technicians alike, offering insights into the complexities of automotive electrical systems. By understanding wiring diagrams, deciphering wire color codes, and analyzing schematic diagrams, enthusiasts can navigate electrical issues with confidence and maintain their vehicles' optimal performance.

Conclusion:

As we draw this discourse on the 1986 BMW 635csi Fuse Diagram to a close, we extend our gratitude to you, our esteemed readers, for joining us on this journey through automotive electrical systems. Throughout this exploration, we've delved into the intricacies of wiring diagrams, deciphered wire color codes, and analyzed schematic diagrams to provide you with a comprehensive understanding of your vehicle's electrical infrastructure.

As you continue to navigate the world of automotive maintenance and repair, we encourage you to utilize the insights gained from this discussion to troubleshoot electrical issues effectively and maintain the optimal performance of your 1986 BMW 635csi. Remember, the fuse diagram serves as your guide through the complexities of your vehicle's electrical system, offering clarity and direction in the face of potential challenges. Thank you for entrusting us with your learning journey, and we look forward to assisting you further in your automotive endeavors.

Keyword:1986 Bmw 635csi Fuse Diagram

Related Keywords:Maintenance, Fuse Diagram, Electrical Issues, Wiring Diagrams, schematic topics, 1986 BMW


0 komentar