📩 Unlock the Power: 1988 Ford 302 Engine Diagram Demystified

Discover the inner workings of the 1988 Ford 302 engine with our comprehensive diagram. Unravel wiring and schematics for a deeper understanding.

If you're peering under the hood of a vintage ride, chances are you're craving clarity on the inner workings of its powerhouse. Enter the 1988 Ford 302 Engine Diagram. In this comprehensive guide, we're diving deep into the intricacies of wiring and schematics specific to this iconic engine model. From ignition systems to fuel delivery, understanding the layout of your 302's components is crucial for any DIY enthusiast or seasoned mechanic.We'll unravel the mystery behind each wire and connection, illuminating the pathway to a finely-tuned engine. So, buckle up as we embark on a journey through the 1988 Ford 302 Engine Diagram, where knowledge meets horsepower.

Unlock the Power: 1988 Ford 302 Engine Diagram Demystified

Understanding Wiring Diagrams and Schematics

Understanding Wiring Diagrams

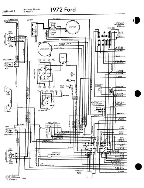
Wiring diagrams and schematics are vital tools in understanding the intricate electrical systems of vehicles, such as the 1988 Ford 302 engine. These diagrams provide a visual representation of the wiring layout and component connections, facilitating troubleshooting and repairs.

Components and Connections

Components and Connections

Every wire, connector, and component in the 1988 Ford 302 engine has a specific place and purpose. Wiring diagrams illustrate these connections, indicating where electricity flows and how components interact. Understanding these relationships is crucial for diagnosing and repairing electrical issues.

Electrical Systems Overview

Electrical Systems Overview

The 1988 Ford 302 engine diagram encompasses various electrical systems, including ignition, fuel delivery, and engine control. Each system has its unique wiring configuration, depicted in the diagram to facilitate troubleshooting and maintenance.

Interpreting Symbols and Codes

Interpreting Symbols and Codes

Wiring diagrams utilize symbols and color codes to represent different components and electrical connections. Learning to decipher these symbols is essential for accurately interpreting the diagram and identifying potential issues.

Diagnostic Applications

Diagnostic Applications

The 1988 Ford 302 engine diagram serves as a valuable diagnostic tool for troubleshooting electrical problems. By following the wiring paths and testing connections, mechanics can pinpoint issues and implement effective solutions.

Maintenance and Repairs

Maintenance and Repairs

When performing maintenance or repairs on the 1988 Ford 302 engine, referencing the wiring diagram ensures proper reassembly and troubleshooting. It guides technicians through the process, minimizing errors and ensuring optimal performance.

Enhancing Electrical Knowledge

Enhancing Electrical Knowledge

Studying wiring diagrams enhances technicians' understanding of electrical systems, not only for the 1988 Ford 302 engine but also for other vehicles. It cultivates expertise in diagnosing and repairing electrical issues across various automotive platforms.

Utilizing Resources Effectively

Utilizing Resources Effectively

Access to wiring diagrams and schematics empowers technicians to tackle electrical challenges efficiently. By leveraging these resources alongside hands-on experience, professionals can maintain and repair vehicles with precision and confidence.

Conclusion:

As we conclude our exploration of the 1988 Ford 302 Engine Diagram, we hope you've gained valuable insights into the intricate electrical systems of this iconic engine. By delving into wiring diagrams and schematics, you've embarked on a journey toward understanding the inner workings of the 1988 Ford 302 engine. These diagrams serve as indispensable tools for diagnosing issues, performing maintenance, and enhancing your overall automotive expertise.

Whether you're a seasoned mechanic or an enthusiast eager to learn more about vehicle electrical systems, exploring wiring diagrams offers a glimpse into the engineering marvel of the 1988 Ford 302 engine. We encourage you to continue your quest for knowledge and mastery in automotive mechanics, utilizing resources such as wiring diagrams to navigate the complexities of modern vehicles. Stay tuned for more informative content, as we continue to delve into the fascinating world of automotive engineering and maintenance.

Keyword:1988 Ford 302 Engine Diagram

Related Keywords:Wiring Diagrams, Electrical Systems, Automotive Engineering, diagnostic tools, Engine Diagram, schematics, 1988 Ford


0 komentar